下载 
当前所在位置: 首页 » 产品类别 » 覆膜胶塞 » 粉针 » 13mm 橡胶塞 (13G008)

产品类别

loading

分享到:

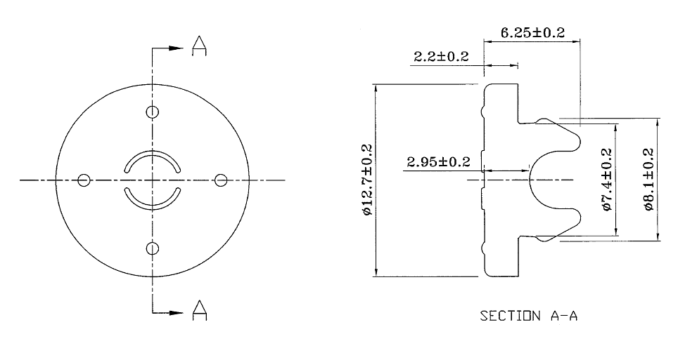
13mm 橡胶塞 (13G008)

医用橡胶塞: 1.无菌粉末用 2.注射用 3.口服液用
状态:
数量:
  • 13G008

  • SHENGZOU

  • 13G008

1.规格 :13mm
2.材料:氯化l或溴化
3.颜色:灰色/红色
4.包装等级:
   -待洗包装
   -免洗包装
   -免灭菌包装
5.包装材料:Tyvek 或 PE袋
13G008-4

上一条: 
下一条: 
盛州橡塑胶(苏州)有限公司

链接相关网络

扫描二维码